Witaj w świecie efektywnego ogrzewania! Jeśli zastanawiasz się, jaką rolę w Twojej instalacji grzewczej odgrywa wężownica w buforze, ten artykuł jest dla Ciebie. Poznaj jej funkcje, dowiedz się, jak wpływa na przygotowanie ciepłej wody użytkowej i integrację różnych źródeł ciepła, a także kiedy jest niezbędna, a kiedy można się bez niej obejść.
Wężownica w buforze rozszerza funkcjonalność systemu grzewczego
- Umożliwia przepływowe i higieniczne przygotowanie ciepłej wody użytkowej (c. w. u.).
- Służy jako wymiennik ciepła do podłączenia dodatkowych źródeł energii, np. kolektorów słonecznych czy kominka.
- Zapobiega rozwojowi bakterii Legionella dzięki brakowi magazynowania ciepłej wody.
- Bufory mogą mieć jedną lub dwie wężownice, w zależności od potrzeb instalacji.
- Miedź jest materiałem o lepszej przewodności cieplnej niż stal dla wężownic.
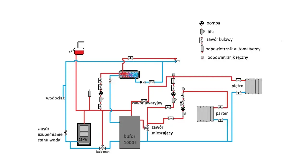
Bufor ciepła – dlaczego stał się sercem nowoczesnej kotłowni?
Nowoczesne systemy grzewcze coraz częściej opierają się na buforach ciepła. Ale czym właściwie jest bufor i dlaczego jego rola w instalacji jest tak kluczowa? Jego podstawowe zadanie to magazynowanie energii cieplnej. W dzisiejszych czasach, gdy korzystamy z coraz bardziej zmiennych źródeł ciepła, takich jak kotły na paliwo stałe czy pompy ciepła, możliwość efektywnego gromadzenia nadwyżek ciepła staje się fundamentem wydajności i komfortu użytkowania całego systemu.
Czym jest bufor i po co magazynować ciepło?
Bufor ciepła to nic innego jak zbiornik akumulacyjny, którego głównym zadaniem jest gromadzenie nadwyżek energii cieplnej wytworzonej przez źródło ciepła. Ta zmagazynowana energia może być następnie wykorzystana w późniejszym czasie, gdy zapotrzebowanie na ciepło jest większe lub gdy główne źródło ciepła pracuje z mniejszą mocą. Sam bufor, jako zbiornik, nie jest magicznym urządzeniem jego prawdziwa siła tkwi w możliwości rozszerzenia funkcjonalności systemu grzewczego, co jest możliwe dzięki dodatkowym elementom, takim jak wężownice.
Stabilna praca kotła i pompy ciepła – kluczowa rola bufora
Dla kotłów na paliwo stałe, bufor ciepła to prawdziwy ratunek. Pozwala on na pracę kotła w optymalnym zakresie temperatur, minimalizując tzw. taktowanie czyli częste cykle włączania i wyłączania. Dzięki temu kocioł pracuje dłużej na pełnej mocy, co zwiększa jego sprawność i redukuje zużycie paliwa. W przypadku pomp ciepła, bufor również odgrywa nieocenioną rolę. Optymalizuje cykle pracy pompy, zapobiegając jej zbyt częstemu włączaniu i wyłączaniu, co jest szczególnie ważne dla jej żywotności i efektywności energetycznej. W dłuższej perspektywie, stabilna praca dzięki buforowi przekłada się na wydłużenie żywotności urządzeń grzewczych i realne oszczędności na rachunkach za paliwo lub energię.
Wężownica w buforze: Tajemniczy element, który wszystko zmienia
Teraz przejdźmy do serca naszego dzisiejszego tematu wężownicy. Choć bufor sam w sobie jest już cennym elementem instalacji, to właśnie wężownica otwiera przed nim zupełnie nowe możliwości. Jest to kluczowy komponent, który potrafi całkowicie odmienić sposób, w jaki korzystamy z energii cieplnej w naszym domu. Bez niej bufor działałby po prostu jako zbiornik na wodę grzewczą. Z wężownicą staje się wszechstronnym narzędziem.
Co to jest wężownica? Prosta budowa, wielkie możliwości
Wężownica to w zasadzie spiralnie zwinięta rura, która jest zanurzona w wodzie buforowej. Jej główna funkcja polega na działaniu jako wymiennik ciepła. Pozwala ona na przekazywanie energii cieplnej między dwoma różnymi płynami na przykład między wodą grzewczą z bufora a wodą użytkową, lub między czynnikiem grzewczym z kolektorów słonecznych a wodą w buforze. Co ważne, te płyny nigdy się ze sobą nie mieszają. Wężownice najczęściej wykonuje się ze stali nierdzewnej lub miedzi, materiałów cenionych za ich właściwości przewodzenia ciepła i odporność na korozję.
Jak działa wymiennik ciepła w praktyce?
Mechanizm działania wężownicy jest stosunkowo prosty, ale niezwykle efektywny. Wyobraźmy sobie, że woda w buforze jest gorąca, a przez wężownicę przepływa zimniejszy płyn. Ciepło z gorącej wody buforowej przenika przez ścianki wężownicy do zimniejszego płynu w jej wnętrzu. To tak, jakby gorąca woda "przelewała" swoje ciepło przez metalową barierę. Dzięki temu możemy podgrzać wodę użytkową lub czynnik grzewczy z innego źródła, nie dopuszczając do ich bezpośredniego kontaktu. To właśnie ta zdolność do transferu ciepła sprawia, że wężownica jest tak wszechstronnym elementem instalacji.
Główne zadanie nr 1: Higieniczne i nieograniczone przygotowanie ciepłej wody użytkowej (c. w. u. )
Jedną z najważniejszych funkcji, jaką może pełnić wężownica w buforze, jest przygotowanie ciepłej wody użytkowej. Rozwiązanie to znacząco różni się od tradycyjnych metod i przynosi ze sobą szereg korzyści, zwłaszcza pod kątem higieny i komfortu użytkowania.
Zasada działania: Jak zimna woda staje się gorąca w kilka sekund?
Proces zaczyna się od zimnej wody wodociągowej, która jest kierowana do wężownicy umieszczonej wewnątrz gorącej wody buforowej. Gdy zimna woda przepływa przez spiralę wężownicy, błyskawicznie przejmuje ciepło od otaczającej ją wody grzewczej. Woda użytkowa jest podgrzewana na bieżąco, w momencie jej poboru. Eliminuje to potrzebę magazynowania dużych ilości ciepłej wody, co jest charakterystyczne dla tradycyjnych bojlerów. Dzięki temu mamy niemal natychmiastowy dostęp do gorącej wody, a system jest często określany jako "higieniczny".
Bufor z wężownicą c. w. u. kontra klasyczny bojler – które rozwiązanie wygrywa?
Porównując bufor z wężownicą do klasycznego bojlera, widzimy wyraźne zalety tego pierwszego. Przede wszystkim, brak magazynowania wody oznacza, że woda użytkowa jest zawsze świeża. Nie ma ryzyka jej długotrwałego stania w zbiorniku, co minimalizuje straty ciepła i potencjalne problemy z jakością wody. Choć tradycyjny bojler może wydawać się prostszym rozwiązaniem, bufor z wężownicą oferuje wyższy komfort i higieniczność. Warto jednak pamiętać, że w specyficznych sytuacjach, gdy zapotrzebowanie na ciepłą wodę jest bardzo duże i skokowe, tradycyjny bojler o dużej pojemności może być bardziej odpowiedni.
Dlaczego to rozwiązanie jest bezpieczniejsze dla Twojego zdrowia? Koniec z legionellą
Jednym z największych zagrożeń związanych z magazynowaniem ciepłej wody użytkowej jest rozwój bakterii Legionella. Te niebezpieczne drobnoustroje namnażają się w wodzie o temperaturze od 20 do 50 stopni Celsjusza, stanowiąc poważne ryzyko dla zdrowia. System z wężownicą w buforze eliminuje to ryzyko. Ponieważ woda użytkowa nie jest magazynowana, a jedynie podgrzewana na bieżąco, bakterie nie mają warunków do rozwoju. To sprawia, że instalacja z wężownicą jest znacznie bezpieczniejsza dla zdrowia wszystkich domowników.
Główne zadanie nr 2: Integracja wielu źródeł ciepła w jednym systemie
Oprócz przygotowywania ciepłej wody użytkowej, wężownica w buforze otwiera drzwi do prawdziwej elastyczności w zakresie pozyskiwania energii cieplnej. Umożliwia ona efektywne połączenie i współpracę różnych, często niezależnych od siebie, źródeł ciepła w ramach jednej, spójnej instalacji grzewczej.
Darmowa energia ze słońca – rola wężownicy solarnej
Kolektory słoneczne to doskonały sposób na wykorzystanie darmowej energii słonecznej do ogrzewania domu. W buforze z wężownicą solarną, zazwyczaj umieszczoną na dole zbiornika, czynnik grzewczy krążący w instalacji solarnej (często roztwór glikolu) przepływa przez wężownicę. Oddaje on swoje ciepło wodzie znajdującej się w buforze. Następnie, ta podgrzana woda z bufora może być wykorzystana zarówno do celów centralnego ogrzewania, jak i do przygotowania ciepłej wody użytkowej. W ten sposób maksymalnie wykorzystujemy potencjał energii słonecznej.
Jak podłączyć kominek z płaszczem wodnym do centralnego ogrzewania?
Kominek z płaszczem wodnym to nie tylko źródło przytulnego ognia, ale również efektywny sposób na dogrzewanie domu. Dzięki wężownicy w buforze, ciepło wytworzone w kominku może zostać skutecznie zintegrowane z systemem centralnego ogrzewania. Woda podgrzana w płaszczu wodnym kominka przepływa przez wężownicę, przekazując swoje ciepło wodzie w buforze. Następnie, zgromadzone w buforze ciepło jest dystrybuowane po całym domu, zapewniając komfort termiczny i pozwalając na efektywne wykorzystanie każdego źródła ciepła.
Pompa ciepła i dodatkowy kocioł – jak wężownica pozwala im współpracować?
W instalacjach hybrydowych, gdzie współistnieją różne źródła ciepła, wężownica odgrywa kluczową rolę w ich integracji. Na przykład, pompa ciepła może podgrzewać wodę w buforze, a następnie, w razie potrzeby, dodatkowy kocioł (gazowy, na paliwo stałe) może dołączyć do pracy, uzupełniając zapotrzebowanie na ciepło. Wężownica umożliwia płynne przełączanie między źródłami lub ich współpracę, optymalizując pracę całego systemu. Zapewnia to nie tylko elastyczność w wyborze najkorzystniejszego źródła energii w danym momencie, ale także gwarantuje stały dostęp do ciepła, niezależnie od warunków zewnętrznych czy cen paliw.
Jedna wężownica czy dwie? Kluczowa decyzja przy wyborze bufora
Wybór odpowiedniego bufora z wężownicą lub wężownicami to decyzja, która powinna być podyktowana specyfiką danej instalacji i naszymi indywidualnymi potrzebami. Różnice między buforami z jedną a dwiema wężownicami są znaczące i wpływają na możliwości konfiguracyjne całego systemu grzewczego.
Kiedy bufor z jedną wężownicą to wszystko, czego potrzebujesz?
Bufor wyposażony w jedną wężownicę jest rozwiązaniem prostszym i często tańszym. Jest on wystarczający w sytuacjach, gdy nasze potrzeby są ograniczone do jednego, konkretnego zastosowania. Może to być na przykład bufor przeznaczony wyłącznie do przygotowania ciepłej wody użytkowej, gdzie wężownica odpowiada za podgrzewanie wody na bieżąco. Alternatywnie, jedna wężownica może służyć do podłączenia jednego dodatkowego źródła ciepła, na przykład kolektorów słonecznych, bez konieczności integracji z systemem c. w. u. w ramach tego samego bufora.
Instalacja hybrydowa: scenariusze, w których dwie wężownice są niezbędne
W bardziej złożonych instalacjach, gdzie chcemy wykorzystać potencjał kilku źródeł ciepła jednocześnie, niezbędny staje się bufor z dwiema wężownicami. Taka konfiguracja pozwala na przykład na podłączenie kolektorów słonecznych do dolnej wężownicy (która zazwyczaj pracuje z niższymi temperaturami) i jednoczesne podłączenie kotła gazowego lub innego źródła o wyższej temperaturze do górnej wężownicy. Alternatywnie, jedna wężownica może być wykorzystana do przygotowania c. w. u., a druga do podłączenia zewnętrznego źródła ciepła, takiego jak pompa ciepła czy kominek. Przykłady takich konfiguracji to: kolektory słoneczne + kocioł na paliwo stałe, lub pompa ciepła + przygotowanie c. w. u. w oddzielnej wężownicy.
Jak rozmieścić wężownice w buforze, by system działał najwydajniej?
Optymalne rozmieszczenie wężownic w buforze ma kluczowe znaczenie dla efektywności całego systemu. Zazwyczaj przyjmuje się zasadę, że dolna wężownica jest przeznaczona dla źródeł ciepła o niższej temperaturze, takich jak kolektory słoneczne. Górna wężownica z kolei najlepiej sprawdza się w przypadku źródeł o wyższej temperaturze lub do przygotowania ciepłej wody użytkowej. Takie rozmieszczenie sprzyja naturalnemu zjawisku warstwowania wody w buforze gorąca woda gromadzi się na górze, a chłodniejsza na dole. Pozwala to na efektywniejsze wykorzystanie ciepła i szybsze podgrzewanie wody użytkowej.
A może bufor bez wężownicy? Kiedy to rozwiązanie ma sens?
Należy pamiętać, że wężownica nie jest elementem obowiązkowym każdego bufora. Istnieją sytuacje, w których bufor ciepła bez wężownicy może być rozwiązaniem w pełni wystarczającym, a nawet bardziej optymalnym.
Proste układy z jednym źródłem ciepła – czy wężownica jest wtedy potrzebna?
W prostych instalacjach, gdzie mamy do czynienia tylko z jednym, głównym źródłem ciepła, na przykład z kotłem gazowym lub pompą ciepła, i nie planujemy podłączania dodatkowych systemów, bufor bez wężownicy może być w zupełności wystarczający. W takim scenariuszu bufor pełni przede wszystkim funkcję magazynu ciepła dla potrzeb centralnego ogrzewania, stabilizując pracę źródła ciepła i zapewniając komfort cieplny w budynku.
Gdy ciepłą wodę przygotowuje osobny zasobnik c. w. u.
Kolejnym przypadkiem, gdy bufor bez wężownicy ma sens, jest sytuacja, w której ciepła woda użytkowa jest przygotowywana w osobnym, dedykowanym zasobniku c. w. u., czyli w klasycznym bojlerze. Zasobnik ten może być zasilany bezpośrednio z głównego źródła ciepła lub posiadać własny, niezależny system grzewczy. W takiej konfiguracji bufor skupia się wyłącznie na magazynowaniu ciepła dla centralnego ogrzewania, a przygotowanie c. w. u. jest realizowane przez inny, wyspecjalizowany urządzenie.
Na co zwrócić uwagę przed zakupem? Praktyczny poradnik
Wybór odpowiedniego bufora z wężownicą to inwestycja na lata, dlatego warto zwrócić uwagę na kilka kluczowych aspektów technicznych i materiałowych, które wpłyną na wydajność i trwałość całej instalacji.
Materiał wężownicy: Miedź czy stal nierdzewna – co jest lepsze do wody pitnej?
Wybór materiału wężownicy ma istotne znaczenie, zwłaszcza gdy mówimy o przygotowaniu ciepłej wody użytkowej. Miedź, według danych Sunsystem.com.pl, charakteryzuje się nawet siedmiokrotnie lepszą przewodnością cieplną niż stal nierdzewna. Oznacza to, że wężownica miedziana jest w stanie szybciej i efektywniej przekazać ciepło, co przekłada się na wyższą wydajność systemu i potencjalnie niższe zużycie energii. Stal nierdzewna jest z kolei materiałem bardzo trwałym i odpornym na korozję, co również jest ważne w kontekście kontaktu z wodą pitną. Oba materiały są dopuszczone do kontaktu z wodą pitną, jednak miedź oferuje lepsze parametry wymiany ciepła.
Powierzchnia wymiany ciepła – dlaczego "więcej" prawie zawsze znaczy "lepiej"?
Powierzchnia wymiany ciepła w wężownicy jest jednym z najważniejszych parametrów decydujących o jej wydajności. Im większa powierzchnia kontaktu między wodą buforową a płynem przepływającym przez wężownicę, tym efektywniejsze jest przekazywanie ciepła. Większa powierzchnia oznacza, że woda użytkowa podgrzewa się szybciej, a system jest w stanie obsłużyć większe zapotrzebowanie na ciepło. Jest to szczególnie istotne przy podłączaniu źródeł ciepła o niższej temperaturze roboczej, takich jak kolektory słoneczne, gdzie efektywność wymiany ciepła jest kluczowa dla uzyskania optymalnych rezultatów.
Przeczytaj również: Ile kosztuje butla gazowa do ogrzewania domu? Zobacz, co musisz wiedzieć
Jak dopasować moc wężownicy do zapotrzebowania na ciepłą wodę?
Dobór odpowiedniej mocy wężownicy, a co za tym idzie, jej powierzchni wymiany ciepła, powinien być ściśle powiązany z indywidualnym zapotrzebowaniem gospodarstwa domowego na ciepłą wodę użytkową. Należy wziąć pod uwagę liczbę mieszkańców, liczbę punktów poboru wody oraz preferowany komfort użytkowania. Zbyt mała wężownica może prowadzić do sytuacji, w której ciepłej wody będzie brakować, podczas gdy zbyt duża może być niepotrzebnym wydatkiem. W celu precyzyjnego doboru optymalnej wężownicy, zawsze warto skonsultować się z doświadczonym instalatorem lub projektantem systemów grzewczych.
